海啸研究
TSUNAMI RESEARCH
主 页
海啸常识
世界海啸
中国海啸
海啸预警
数值模拟
研究团队
中国海啸
中国海啸研究
中国海啸研究进展
中国海啸防灾减灾思考
历史海啸
古代海啸
近代海啸
海啸地质调查
海啸地质沉积
调查选址
2012年调查结果
2015年调查结果
调查结论
危险性分析
危险性分析概述
潜在海啸源区
确定性危险性分析
概率性危险性分析
概率性危险性分析研究进展
海啸危险性图
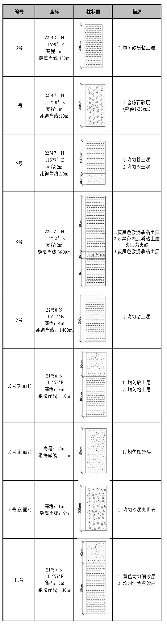
2015年地质剖面调查结果
E-mail:renyefei@iem.net.cn
版权所有:中国地震局工程力学研究所温瑞智课题组
地址:哈尔滨市南岗区学府路29号
访问量:
更新时间:2018-10-10
黑ICP备15001822号